●スパナで操作するタイプ。
●スティール製LZX-SKの偏心カムは焼入れ・研磨済み。位置決め精度、耐摩耗性にすぐれています。
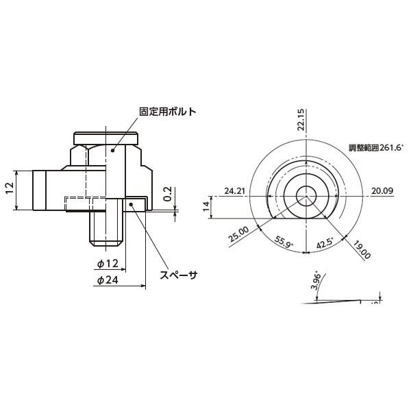
●調整範囲は、角度261.6°、周長86.75mm、締めつけ方向に6mmです。
●カムレバーは、偏心カムのほか、スペーサ・固定用ボルトで構成されています。
●取りつけは固定用ボルトを六角レンチで締めつけて行います。
●固定用ボルトを締めつけてカムレバーを取りつけたあとでも、スペーサの働きにより、カムはスムーズに回転します。
●偏心カムの上部に六角部を設けています。スパナなどを利用してカムを回転
●スティール製
●本体:S15C・焼入れ(硬度60〜63HRC)・研磨・四三酸化鉄皮膜(黒)
●スペーサ部:S15C・焼入れ(硬度60〜63HRC)・研磨・四三酸化鉄皮膜(黒)
●固定用ボルト:S15C・焼入れ(硬度60〜63HRC)・四三酸化鉄皮膜(黒)
●スペーサは全商品に付属しています。
●カムを固定したままにしたい場合にはスペーサを取りはずしてください。
※出荷日別途案内の商品は、受注生産品のため、納期は都度確認となります。キャンセル・返品不可商品となります。
送料は全国一律770円(税込 重量10kgまで)
1回のご購入合計金額(税込)が【5,500円以上】の場合は送料無料です。
※沖縄、離島地域への送料は別途見積もりとさせていただきます。(送料無料適用対象外)
※「特別送料」の表示がある商品につきましては購入金額に関わらず別途送料がかかります。
※一部商品(重量物や長尺物など)や、一部遠隔地へのお届けには、別途送料がかかる場合があります。
※お届け日や配達時間のご指定は出来ません。
<お届け地域>
現在は、配送便の都合上、沖縄県および離島、一部の山間奥地には商品をお届けできません。<送料>
・この商品は、通常のご購入金額による送料無料サービスは適用されません。
■塩ビパイプ商品送料表(〜100kg未満)
※2020年7月1日〜
<ご注文の流れ>
<商品の引き渡し>
宅配便による配送のため、原則として「車上渡し」となりますので、アパート・マンション・個人宅へのお届けができない場合があります。■出荷までの日数について
当サイト掲載商品にはすべて、出荷までの日数の目安を表示しています。
※商品ページに「3営業日出荷」「5営業日出荷」「10営業日出荷」「出荷日別途案内」の表記がある商品はいずれも取り寄せ商品です。出荷まで所定のお日にちを頂戴します。
※当店の在庫がご注文数に満たない場合等により、当日発送を出来かねる場合が御座います。
休業日とは、土日祝日および夏季休業、年末年始ほかを示します。
詳しくは営業日カレンダーをご覧ください。
複数店舗で在庫を共有しているため、「在庫品」表示であってもご注文数によって数営業日かかる商品がございます。
■納期の異なる商品を同時にご購入頂いた際の出荷日
原則としてすべての商品の出荷準備がととのってから、まとめて出荷させていただきます。
例.「在庫品」と「5営業日内出荷」を同時にご注文頂いた場合、
5営業日内の商品の出荷準備が整い次第、同梱出荷を致します。
ただし、例外的に「予約注文」は出荷準備が整ったものから順次出荷となります。
■出荷準備が整ったものから順次出荷をご希望の場合
カート内にあります「分納配送」をご選択下さい。
詳しくはご利用ガイドの複数商品の出荷をご覧下さい。
当サイトでは、お客様と当社の双方に負担となる返品をなるべく減らしたいと考えています。
特にその原因となる「ミス」を防止するため受注〜出荷のあらゆるプロセスで問題点の改善に
取り組んでいます。お客様にもぜひ趣旨をご理解のうえ、ご協力いただけますようお願いします。
詳しくはご利用ガイドの返品・交換・キャンセルについてをご覧下さい。
※返品にかかる送料は、返品理由がお客様都合の場合は、お客様のご負担でお願いします。
※ご注文受付完了後の追加・変更・キャンセルはお受けできません。
お支払い方法は、クレジットカード払い・代金引換・コンビニ払い・請求書払いからお選びいただきます。
■クレジットカード
VISA、Master、JCBの各種カードがご利用いただけます。
![]()
■代金引換
配送時に運送業者が持参する領収書に記載されている総額を「現金」でお支払いください。
ご購入金額合計に応じて、代引手数料は変わります。
11,000円以下:440円 33,000円以下:550円 33,000円を超える:660円
■コンビニ払い(法人・個人事業主様 専用 )
商品到着後、コンビニ・銀行・郵便局でお支払い頂けます。
累計残高で30万円迄(他店でのネットプロテクションズご利用状況により異なります)
※請求書は株式会社ネットプロテクションズより発行されます。
※振込用紙は商品とは別で、商品到着5日〜10日後に郵送で届きます。
※与信審査にはお時間がかかります。納期には余裕を持ってご注文ください。

■請求書払い
末締め、20日締めからお選び頂けます。(締日と締日の間の1か月間に購入可能な金額3万円です。)
※請求書払いをご希望の場合は、事前に別途申請が必要です。
■楽天ポイントの紹介
楽天ポイントとは、楽天市場をはじめとした様々な楽天内のサービスや、楽天ペイや楽天ポイントカードの
加盟店等で貯まる!使える!便利なポイントサービスです。
■ポイント付与の注意点
商品をご購入いただく時点で楽天IDが連携済みになっていることがポイント付与の条件となります。
必ず購入前に楽天IDの連携をおこなってください。